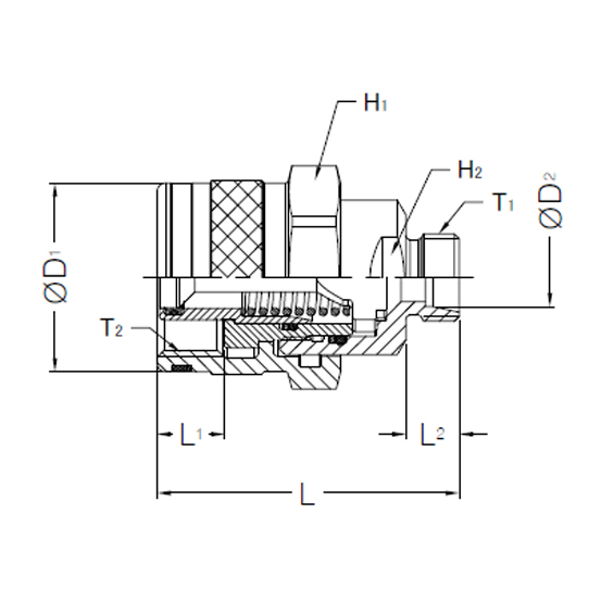
Product
SCREW COUPLERRH-1
Coupler_11_RH-1.pdf
本社住所 大邱広域市北区檢丹北路2-21 TEL +82-53383-2137 事業者登録番号 504-81-39137 会長 イ・ジョンサン 代表取締役 イ・ドユン
檢丹工場 大邱広域市北区檢丹路27ギル75 FAX +82-53383-2135
SCREW COUPLER
RH-1